○奥州市営浄化槽条例施行規程
令和6年4月1日
上下水道事業管理規程第2号
(趣旨)
第1条 この規程は、奥州市営浄化槽条例(平成18年奥州市条例第189号。以下「条例」という。)の施行に関し必要な事項を定めるものとする。
(規格)
第2条 条例第2条第1号に規定する浄化槽(以下「浄化槽」という。)は、浄化槽法(昭和58年法律第43号)第4条第1項の規定による構造基準に適合し、かつ、放流水が生物化学的酸素要求量(日間平均)1リットル当たり20ミリグラム以下及び除去率90パーセント以上の機能を有するものとする。
(1) 水道水を使用した場合 奥州市水道事業料金条例(平成18年奥州市条例第301号)の規定により水道料金を算出することとなる期間の始期及び終期とする。
(2) 水道水以外の水を使用した場合 毎月の初日を始期、末日を終期とする。
(工事の範囲)
第4条 浄化槽の設置において市が行う工事の範囲は、浄化槽本体の設置とする。
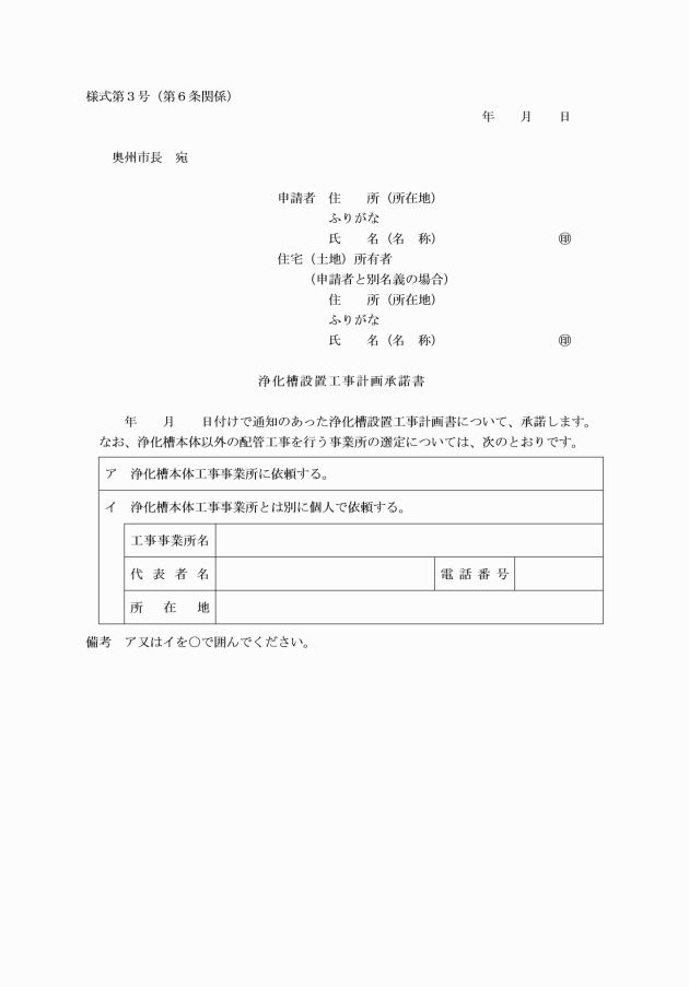
(1) 住宅付近平面図
(2) 各階平面図
(3) 放流先見取図
(4) 土地使用立入承諾書
(5) 土地の登記事項証明書
(6) 前各号に掲げるもののほか、市長が必要と認める書類
2 市長は、分担金が納入されたことを確認したときは、工事を発注するものとする。
3 工事発注後に、申請者の都合により工事計画を変更し、又は工事を中止するときにおいて、分担金は返還しない。
(排水設備の固着箇所及び工事の実施方法)
第9条 条例第10条第1号に規定する工事の実施方法は、次に掲げるとおりとする。
(1) 排水設備を浄化槽に固着させるときは、接続孔に管底高が食い違いの生じないようにし、かつ、突き出さないように差し入れ、漏水を防ぐ仕上げをすること。
(2) 前号により難い特別の理由があるときは、市長の指示を受けること。
(排水設備の設置及び構造の技術上の基準)
第10条 建築基準法(昭和25年法律第201号)及びこれに基づく命令並びに条例に定めるもののほか、排水設備の設置及び構造の技術上の基準は、次に掲げるところによる。
(1) 排水管の土かぶりは、宅地内では20センチメートル以上、宅地外では60センチメートル以上とし、防臭装置には保温材を施すこと。ただし、これにより難い特別の理由があるときは、市長の指示によること。
(2) 汚水ますの形状は、円形又は方形とし、その材質は、塩化ビニル又は塩化ビニルと同等のものとすること。ただし、地形上その他の理由により、市長が特に支障がないと認めたときは、この限りでない。
(3) 地下室その他汚水の自然流下が充分でない場所には、汚水が逆流しないような構造のポンプ施設を設けること。
(4) 水洗便所、浴室、流し場等の排水箇所には、容易に検査及び清掃ができる構造の防臭装置を設けること。
(5) 防臭装置の封水がサイホン作用、はねだし作用又は逆圧によって破られるおそれがあるときは、通気管を設けること。
(6) 浴室、流し場等の固形物を含む汚水を排出する箇所には、固形物の流下を止めるのに有効な目幅をもったストレーナーを設けること。
(7) 浄化槽の浄化機能に支障が発生するおそれのある油脂類等を多量に排出する箇所には、油脂遮断装置等の除害装置を設けること。
(8) 水洗便器は、使用に当たり完全に洗浄できるもので、かつ、大便器にあっては相当の水量が得られる構造とすること。
(1) 見取図
(2) 平面図
(3) 縦断面図
(4) 構造図
(5) 工事見積内訳書
(6) 除害施設を設けるときは、構造、汚水及び汚物の処理方法等を表示した図書
(7) 排水設備に付随するポンプ施設を設けるときは、構造、汚水及び汚物の処理方法等を表示した図書
(8) 前各号に掲げるもののほか、市長が必要と認める書類
2 市長は、前項の申請書の提出があったときは、内容を審査し、適当と認めたときは、当該申請書の1部にその旨を付記して申請者に通知するものとする。
2 前項の規定にかかわらず、水道水を使用している場合の使用の休止又は再開の届出は、奥州市水道事業給水条例(平成18年奥州市条例第300号)の規定によるこれらに相当する届出等をもってこれらの届出があったものとみなす。
(使用水量の認定)
第15条 条例第19条第1項第2号の規定による使用水量の認定は、次に定めるところにより行う。
(1) 家事用に使用した場合においては、同じ使用人数で水道水を使用している他の使用者の平均使用水量をもってその使用水量とみなす。
(2) 家事用以外に使用した場合においては、計量装置によるほか、使用人数、業態、水の使用状況その他の事実を勘案して定める水量とする。
(排除汚水量及び算出根拠の申告)
第16条 条例第19条第1項第3号の規定による申告は、排除汚水量申告書(様式第12号)によるものとする。
2 市長は、前項の規定による申請書の提出があったときは、内容を審査し、適当と認めたときは、当該申請書の1部にその旨を付記して申請者に通知するものとする。
3 条例第21条第2項に規定する使用料を減額し、又は免除することができる特別の理由は、災害等により被災者が生活困窮の状況にある場合とする。
4 使用料の減免を受けている者は、その減免の事由が消滅したときは、直ちにその旨を市長に届け出なければならない。
附則
この規程は、令和6年4月1日から施行する。
別表(第18条関係)
1 分担金減免基準
減免対象の区分 | 減免率 |
市長が特に必要と認めた場合 | 市長の指定した率 |
2 分担金徴収猶予基準
徴収猶予対象の区分 | 猶予期間 | 猶予額 | 添付書類 |
申請者の財産につき災害、盗難その他の事故が生じたことにより分担金を納付することが困難と認められるもの | 市長が認定する期間 | 市長が認定する額 | 災害、盗難その他の事故に係る証明書 |
申請者又は申請者と生計を同一にする者が病気又は負傷により長期療養のため、分担金を納付することが困難と認められるもの | 市長が認定する期間 | 市長が認定する額 | 医師の診断書 |
当該年度において市税の減免を受けている者 | 市長が認定する期間 | 市長が認定する額 | 市税の減免決定通知書の写し |
市長が特に徴収猶予が必要であると認めた者 | 市長が認定する期間 | 市長が認定する額 | 市長が認めた書類 |
3 使用料減免基準
減免対象の区分 | 減免率 |
財産につき災害、盗難その他の事故等により生活困窮の状況にある者 | 市長の指定した率 |

















